Sign In | Join Free | My himfr.com
Home > Fluid Bed Dryer Machine >

4m2 XFG Sealed Circulation Fluid Bed Dryer Machine

    Buy cheap 4m2 XFG Sealed Circulation Fluid Bed Dryer Machine from wholesalers
     
    Buy cheap 4m2 XFG Sealed Circulation Fluid Bed Dryer Machine from wholesalers
    • Buy cheap 4m2 XFG Sealed Circulation Fluid Bed Dryer Machine from wholesalers

    4m2 XFG Sealed Circulation Fluid Bed Dryer Machine

    Ask Lasest Price
    Brand Name : XIANDAO
    Model Number : XFG
    Certification : CE / UL / SGS / EAC / CR – TU
    Price : Negotiation
    Payment Terms : L/C, T/T
    Supply Ability : 20 SETS PER MONTH
    Delivery Time : 8~18 WEEKS
    • Product Details
    • Company Profile

    4m2 XFG Sealed Circulation Fluid Bed Dryer Machine

    XFG Series Sealed-Circulation Fluid Bed Dryer (Cooler)


    Technical parameters


    SpecDrying capacity (kg/h)Bed area (m2)Fan power (kW)Temperature of inlet air (℃ )Heat medium

    Solvent recovery

    (%)

    XFG-105-200.257.5-300N295-99
    XFG-2010-400.511-300N295-99
    XFG-3020-80115-300N295-99
    XFG-5040-160230-300N295-99
    XFG-8060-240375-300N295-99
    XFG-10080-320490-300N295-99

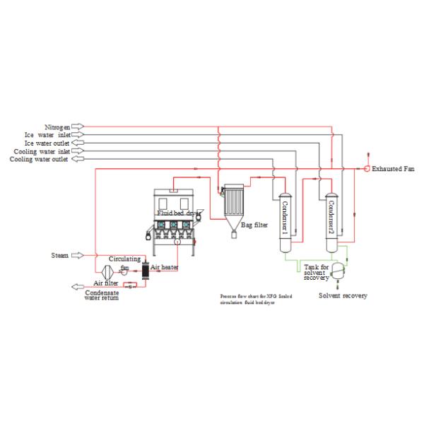
    Principle
    • With nitrogen as the conduction heat transfer medium, the machine can realize drying the material containing the organic solvent for the pharmaceutical, biochemical, Chemical biological industry and so on. Meanwhile, it can recycle the solvent during the drying process. It has full practicability of safety production, high efficiency, and low energy consumption.
    • The Air inside the dryer recycled by the fan is heated by the heat exchanger, and then enters into the fluid bed dryer. The materials contact with the air fully and make heat exchange. Once the solve inside the material is evaporated, by the force of the circulating air, the fine material within the air is catched after the nitrogen blow back the dedustor. The waste hot air enters into the condenser through the filter. The machine works in such a cycle until all solvent are separated ,condensed and evaporated from the material.


    Applications


    ◆ The material contains the solvent for drying as well as recycles the solvent.

    ◆ The granule contains the solvent from the swaying granulator and high speed wet mixing granulator.

    ◆ The wet granule and powder-shape granule contains the solvent from the pharmaceutical, foodstuff ,chemical industry and so on

    ◆ Big particles or small lump material or the material with low viscosity.


    Features


    • With nitrogen as the conduction heat transfer medium, the machine can realize drying the material containing the organic solvent for the pharmaceutical,biochemical,Chemical biological industry and so on. Meanwhile, it can recycle the solvent during the drying process. It has full practicability of safety production, high efficiency, and low energy consumption.
    • The Air inside the dryer recycled by the fan is heated by the heat exchanger, and then enters into the fluid bed dryer. The materials contact with the air fully and make heat exchange. Once the solve inside the material is evaporated, by the force of the circulating air, the fine material within the air is catched after the nitrogen blow back the dedustor. The waste hot air enters into the condenser through the filter. The machine works in such a cycle until all solvent are separated , condensed and evaporated from the material.
    • High efficiency: the machine is in the full-sealed structure.no dead corner . The air inlet and outlet system ,both of them are with thermal high efficiency filter . the dedusting efficiency is high . it is very easy to disassemble and clean.After finishing the drying process , using the blow back technology will make the dedusting thoroughly, reduce the clean frequency and simplify the operation progress, so that it may lower the labor intensity and protect the products from being polluted efficiently. It meets well with the standard requirement of GMP. The machine can work continuously and stably for a long time. The automation for the machine is high. It can not only dry and cool the solvent, but also cool the material, and its drying efficiency is higher than the one of rotary dryer and hollow vacuum dryer . whose drying speed can almost improve 4-5 times, at the same time, the quality of dried products from this machine is very stable, which may create higher product value for the customer.
    • Safety: Because of the high potential danger of flammable and combustible attributes, the machine adopts the safety technics of online oxygen sensing, pressure release, explosion proof and so on, at the same time, through intelligent control technique; make it possible to monitor the residue Oxygen, air pressure balance and automatic control. When the gas(oxygen) in the system is higher than 0.5%(v/ v), the Oxygen measurement device will open nitrogen supplement valve through system instruction, providing fresh nitrogen to the system to make the Oxygen residue return to the safety level(the sealed –circulation system is designed as positive pressure, the oxygen enters the circulation system through adding material). When the pressure balance value inside the system is over than the setting value (the pressure balance value in the circulation system is 0.02MPa), the pressure release device will open the pneumatic valve automatically and release the pressure though the intelligent control center in order to eliminate the over- pressure air. While the anti- explosion and explosion-release device, it is another technical safety measure for the machine. The anti-explosion and explosion-release device can open oriented explosion venting device, cut off the power and shut off pipeline valve automatically to prevent the solution agent touching with oxygen when there is something wrong with the electric components or the key parts of the machine has faults within the system. If it happened, the whole system cannot work normally, it will make the air pressure lift to its safety limit(the pressure limit of the system is designed to less than 0.05Mpa) causing system malfunction. This design can effectively prevent the equipment from fire and explosive accidents in its operation, reducing casualties and property loss to the maximum and insuring production safety.
    • Energy-Saving: The equipment works under full sealed –circulation system. the thermal medium blow the material upward through halftone which make them fully contact with the material, in this way, it may intensify the heat and mass transfer progress, achieving higher air moisture with a small quantity of air, so it only needs Micro-positive pressure, a small quantity of air in the operation, which can lower the equipment’s fan power and reduce noise. Besides, the hot wet air with the solvent will separated with each other by the condenser after drying. The recovered solvent can be recycled.
      At the same time, through the circulation fan, the low-dew-point nitrogen can also be recycled after entering the heater. Compared with the traditional drying Equipment, the thermal efficiency is increased, and the power consumption is extremely reduced, so the energy consumption of equipment is saved as well as the production cost.
    • Environmental protection: This equipment can recycle the organic solvent when drying the material with the organic solvent. It can solve the problem that drying is difficult and emission pollution is serious to the relative industry. it can achieve the solvent recycle and Zero emission . in this way , it can avoid the tail air pose the pollution to the environment to obtain the practical effect of energy saving and emission reduction.



    Quality 4m2 XFG Sealed Circulation Fluid Bed Dryer Machine for sale
    Inquiry Cart 0
    Send your message to this supplier
     
    *From:
    *To: Jiangsu XIANDAO Drying Technology Co., Ltd.
    *Subject:
    *Message:
    Characters Remaining: (0/3000)
     
    Find Similar Products By Category: